"Bürostuhlservice Maas" Ihr MARTIN STOLL Spezialist
"Bürostuhlservice Maas" Ihr MARTIN STOLL Spezialist

Hier finden Sie uns

Bürostuhlservice Maas
Drüpter Str. 76
D-46519 Alpen

Telefon: +49  (0)2802/1311

 

oder mailen Sie uns unter:

 

maasulrich@gmail.com

Schicken Sie Ihre Bestellung an die nebenstehende Mail- Adresse mit Angabe des Empfängers sowie der Liefer/ Rechnungsanschrift.

 

Versand innerhalb von 5 Werktagen ab Bestelldatum für Lagerware. Lieferung auf Rechnung, bei größeren Mengen gegen Vorkasse.  Angegebene Versandkosten gelten innerhalb Deutschland. Bei Lieferungen ins Ausland die Versandkosten anfragen! Bitte immer Liefer- und Rechnungsanschrift angeben. Für eventuelle Rückfragen geben Sie auch eine Telefonnummer an unter der Sie zu erreichen sind!! Lieferungen innerhalb der EU und in nicht EU Staaten nur gegen Vorkasse. Es gelten ausschließlich unsere AGB. Diese können Sie auf dieser Homepage nachlesen. Rechnungsbeträge sind unmittelbar nach Erhalt der Ware ohne Abzug zu begleichen. 

Orders ( Appointments ) from abroad only against precash ( precheckout ) !

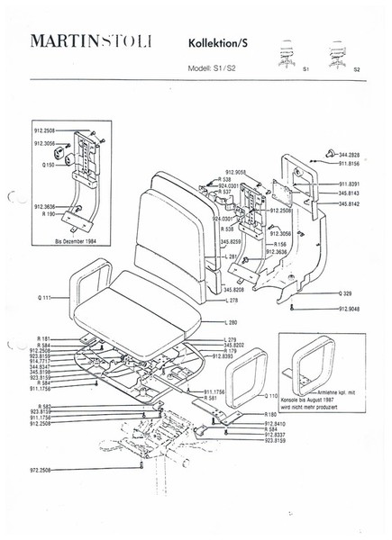
MARTINSTOLL Produkte wurden und werden für eine lange Nutzungszeit gebaut. Trotz allem kann auch mal etwas kaputt gehen. Geht nicht, gibts bei uns nicht nicht. Wir haben für fast alles eine Lösung. Manchmal sind es nur Kleinigkeiten die zu ersetzen sind. Auch Diese liefern wir, soweit noch vorhanden! Wir geben Ihnen natürlich auch Tips für den Einbau von Ersatzteilen soweit es möglich ist. Hilfreich sind hierbei von uns erstellte Einbauanleitungen und  Explosionszeichnungen die wir, wenn erforderlich zur Verfügung stellen. Bitte bedenken Sie, die Firma Stoll hat in der Vergangenheit ca. 600 unterschiedliche Stoffvarianten im Programm gehabt. 90% dieser Stoffe stehen nicht mehr zur Verfügung. Wir bieten Ihnen hier alternative Stoffe für den Neubezug oder für die Neuanfertigung von Polsterteilen in den Grundfarbtönen wie schwarz-grau dunkelblau- braun u.s.w.  in einer vergleichbaren Stoffqualität des Herstellers an.

Gegebenenfalls setzen Sie sich bei Einzelpolstern mit einem ortsansässigen Polsterer in Verbindung!

 

Hier eine kleine Auswahl von MARTINSTOLL Ersatzteilen zur Ansicht.

Ebenfalls liefern wir komplette Mechaniken, alle gängigen Gasfedern, Rollen für jeden Boden, Fusskreuze, Rückenlehnenstäbe,  Rückenabdeckungen, Gelenkträger, Gelenkwellen, Abdeckungen, Zugfedern,Torsionsstäbe, Armlehnen, Armauflagen, Verbindungsgelenke und vieles mehr. Wir bieten nur Orginalware an und keine Billigware aus China. Dies insbesondere bei Drehstuhlrollen, welche im Internet für 15,-€  pro Satz  angeboten werden. Diese Rollen entsprechen oft nicht dem Deutschen Standart und bestehen zumeist aus minderwertigem Material. 

 

Schicken Sie uns einfach eine Mail mit Foto des defekten Teils/Stuhls zu und beschreiben kurz das Problem. Wir können Ihnen dann sagen ob dieses Teil noch lieferbar ist und was es kostet. 

Da unser Büro nicht ständig besetzt ist stellen Sie Ihre Anfragen wenn möglich per E-Mail. Ihre Anfrage wird dann direkt an unsere Serviceabteilung weitergeleitet!

 

Druckversion | Sitemap
© Bürostuhlservice Maas